Предмет и цели изучения материала модуля 10
10. НАДЕЖНОСТЬ ЭЛЕКТРОСНАБЖЕНИЯ
10.1. Основные технические решения на подстанциях 110/10; 35/10 кВ и в питающих линиях 35 – 110 кВ.
10.2. Основные технические решения в сетях 10 кВ и 0,38 кВ
10.3 Выбор количества и мест установки автоматических коммутационных аппаратов в сетях10 кВ
10.4 Выбор мощности резервных электростанций
10.5 Резервные источники питания с приводом от трактора
Лабораторная работа к модулю 10
Вопросы для самопроверки к модулю 10
Предмет и цели изучения материала модуля 10
Предметом изучения является надежность электроснабжения сельскохозяйственных потребителей.
В результате изучения модуля 10 вы будете знать:
– классификацию потребителей по надежности электроснабжения;
– типовые схемы подключения потребителей в зависимости от категории потребителя по надежности электроснабжения
Уметь:
– выбирать мероприятия по повышению надежности электроснабжения.
10 НАДЕЖНОСТЬ ЭЛЕКТРОСНАБЖЕНИЯ
Под надежностью электроснабжения понимается способность электрической сети в любой момент времени обеспечить потребителей электроэнергией в требуемом объеме и заданного качества.
В соответствии с [10]различают три категории потребителей по надежности электроснабжения.
К первой категории относят потребителей, нарушение электроснабжения которых влечет за собой значительный материальный ущерб вследствие массовой порчи продукции и серьезное расстройство технологического процесса. Крупные животноводческие фермы и комплексы, производящие
Таблица 10.1.
Сельскохозяйственные потребители первой и второй категорий по надежности электроснабжения
| Первая категория (I) | Вторая категория (II) |
| Животноводческие комплексы и фермы: -по производству молока на 400 коров; -по выращиванию и откорму молодняка КРС на 5 тыс. голов в год и более; -по откорму КРС на 5 тыс. голов в год и более; -по выращиванию нетелей на 3 тыс. скотомест и более; -по выращиванию и откорму на 12 тыс. свиней в год и более. Птицефабрики: -по производству яиц с содержанием 100 тыс. кур-несушек и более; -мясного направления по выращиванию 1 млн бройлеров в год и более; -по выращиванию племенного стада кур на 25 тыс. голов и более, а также гусей, уток и индеек 10 тыс. голов и более. |
Животноводческие и птицеводческие фермы меньшей производительности, чем указанная для потребителей первой категории; Тепличные комбинаты и рассадные комплексы; Кормоприготовительные заводы и отдельные цехи с механизированным приготовлением и раздачей кормов; Картофелехранилища вместимостью более 500 т с холодоснабжением и активной вентиляцией; Холодильники для хранения фруктов вместимостью более 600 т; Инкубационные цехи рыбоводческих хозяйств и ферм. |
продукцию на промышленной основе, являются потребителями первой категории. Категория надежности крупных ферм и комплексов и отдельных электроприемников определяется по данным табл. 10.1, 10.2 [16]. К первой категории также относят электроприемники особо важных объектов несельскохозяйственного назначения, расположенных в сельской местности: операционные отделения больниц, родильные дома и т.д.
Потребители первой категории должны быть обеспечены резервным электроснабжением. Источником резервного питания могут быть сети электроэнергетической системы или
Таблица 10.2.
Перечень электроприемников первой (I) и второй (II) категорий по надежности
| Наименование электроприемников (групп электроприемников) сельскохозяйственных предприятий | Категория надежности | |
| Комплексы и фермы молочного направления: | ||
| системы доения коров в стойлах или доильных залах | II* | |
| рабочее освещение в доильных залах | II* | |
| система промывки молокопроводов и подогрева воды | II* | |
| локальный обогрев телят | II* | |
| облучение телят | II* | |
| дежурное освещение в родильном отделении | II | |
| очистка, хранение и охлаждение молока | II | |
| переработка(пастеризация молока) | II | |
| системы поения коров и телят в родильном отделении | II | |
| установки обеспечения микроклимата в телятнике | II | |
| приготовление кормов | II | |
| раздача кормов | II | |
| Комплексы и фермы КРС: | ||
| дежурное освещение здания моноблоков | II | |
| системы поения | II | |
| раздача кормов | II | |
| системы механизированного приготовления и выпойки молока в телятнике перво го периода | II | |
| Кормоприготовлсние (кормоцехи): | ||
| система отопления | II | |
| система приточно-вытяжной вентиляции | II | |
| Свиноводческие комплексы и фермы: | ||
| отопительно-вснтиляционные системы свинарников-откормочников | II* | |
| то же в свинарниках для поросят-отъемышей | II* | |
| приготовление кормов (кормоцеха) | II | |
| раздача кормов стационарными средствами | II | |
| системы поения животных | II | |
| рабочее освещение в моноблоках | II | |
| то же в свинарниках-маточниках | II | |
| дежурное освещение | II | |
| сооружения по обработке и очистке навозных стоков | II | |
| водозаборные сооружения | II | |
| системы вентиляции в свинарниках для опоросов | II | |
| система вентиляции помещений и зон моноблоков, где невозможно осуществить естественное проветривание | II | |
| локальный обогрев поросят в свинарниках для опоросов и в санитарных станках | II | |
| Для всех предприятий: | ||
| установки пожаротушения | II* | |
| установки водоснабжения водонапорных башен | II | |
| установки теплоснабжения и горячей воды | II | |
| котельные | II | |
| котельные с котлами высокого и среднего давления | II* | |
| Птицефабрики и птицефермы | фабрики | фермы |
| системы поения птиц | I | II* |
| локальный обогрев цыплят в первые 20 дней | I | II* |
| вентиляция в птичниках с напольным и клеточным содержанием | I | II* |
| инкубация яиц и вывод цыплят | I | II* |
| сортировка яиц и цыплят, транспортировка, обрезка клювов и освещение инкуба | I | II* |
| тория | I | II* |
| цехи убоя | I | II* |
| санитарно-убойные пункты | I | II* |
| котельные | I | II* |
| в том числе мазутное хозяйство | I | II* |
| насосные оборотного водоснабжения котельной и птицебойни | I | II* |
| станции перекачки конденсата | I | II* |
| градирни | I | II* |
| хлораторные станции обезжелезивания | I | II* |
| канализационные насосные станции | I | II* |
| насосные 1 -го и 2-го подъемов | I | II* |
| системы раздачи кормов | II | II |
| системы сбора яиц в птичниках | II | II |
| освещение | II | II |
| системы сборки помета в птичниках | II | II |
| цеха подработки кормов | II | II |
| склад кормов | II | II |
Примечание. II* —электроприемники второй категории, не допускающие перерыва длительностью более 0,5 ч.
специальная резервная электростанция. Источник резервного питания выбирается путем технико-экономического сравнения различных вариантов. Резервные источники электроснабжения наиболее ответственных потребителей первой категории должны вводиться в действие автоматически.
При выходе из строя любого из источников оставшийся в работе должен обеспечить нагрузку электроприемников первой и второй категорий при отклонениях напряжения не более чем на 10 %.
Ко второй категории относятся потребители, перерыв в электроснабжении которых приводит к нарушению выхода сельскохозяйственной продукции и ее частичной порче.
Потребители и электроприемники второй категории рекомендуется обеспечивать электроэнергией от двух независимых источников питания. Из электроприемников второй категории выделяется группа, не допускающая перерывов в электроснабжении длительностью более 0,5 ч, остальные электроприемники допускают перерыв на время ручного включения резерва
К третьей категории относятся остальные потребители, не подходящие под определение первой и второй категорий. Для электроприемников третьей категории допускаются перерывы электроснабжения на время, необходимое для ремонта или замены поврежденного элемента системы электроснабжения, но не более 1 сут.
Уровень надежности системы электроснабжения на определенном сложившемся этапе развития техники в конечном счете определяется затратами на сооружение и эксплуатацию системы. Повышение уровня надежности, как правило, связано с увеличением затрат на сооружение и эксплуатацию системы. Однако при этом уменьшается ущерб от перерывов электроснабжения потребителей.
Критерием оценки надежности системы электроснабжения для потребителей второй и третьей категории служат два показателя надежности:
Параметр потока отказов - это среднее количество отказов элемента в единицу времени (обычно за год). Среднее время восстановления - это время аварийного простоя электрооборудования.
Для электроприемников второй категории, не допускающих перерывов в электроснабжении длительностью
более 0,5 часа, установлен [16] следующий нормативный показатель надежности:
w = 2.5 отказа в год (t< 0,5 ч).
Для остальных электроприемников и потребителей нормативные показатели приведены в таблице 9.3.
Таблица 10.3
Нормы надежности электроснабжения для сельских потребителей II и III категорий
| Характеристика электроприемника или потребителя | w, отказов/год | t, час. |
| Электроприемники и потребители II категории | 2,3 | ≤ |
| Электроприемники и потребители II категории с расчетной нагрузкой 120 кВт и более | 0,1 | 4<t≤10 |
| Электроприемники и потребители II категории с расчетной нагрузкой менее 120 кВт | 0,2 | 4<t≤10 |
| Электроприемники и потребители III категории | 3 | ≤24 |
Расчетные показатели надежности определяются по справочным данным о надежности элементов системы электроснабжения в зависимости от схемы их соединений от источника питания до точки подключения потребителя и с учетом условий эксплуатации.
Если уровень надежности электроснабжения потребителей не соответствует нормам, необходимо принимать меры для повышения надежности электроснабжения потребителей с целью сокращения количества и продолжительности отключений.
Повышение уровня надежности электроснабжения является технико-экономической задачей, при решении которой минимизируются приведенные к одному году затраты, включающие капитальные вложения, издержки эксплуатации и ущерб от недоотпуска электроэнергии.
В [16] разработаны правила достижения нормированного уровня надежности, учитывающие закономерности формирования системы электроснабжения сельскохозяйственных потребителей. В этом случае с целью упрощения расчетов при проектировании непосредственный расчет показателей надежности не производится.
10.1. Основные технические решения на подстанциях 110/10; 35/10 кВ и в питающих линиях 35 – 110 кВ.
При проектировании системы электроснабжения в первую очередь рассматривается возможность применения однотрансформаторных подстанций.
Двухтрансформаторные подстанции сооружаются в следующих случаях:
-на подстанции требуется установка трансформатора мощностью свыше 6300 кВА;
-расстояние между соседними подстанциями более 45 км;
-от шин 10 кВ подстанции отходят 6 и более линий 10 кВ;
-одна из линий 10 кВ, отходящая от рассматриваемой подстанции и питающая потребителей I и II категории по надежности, не может быть зарезервирована от соседней подстанции 35—110 кВ, имеющей независимое от рассматриваемой подстанции питание;
-заменой сечения проводов на магистрали линии 10 кВ не обеспечиваются нормативные отклонения напряжения у потребителей.
10.2. Основные технические решения в сетях 10 кВ и 0,38 кВ
Схема сети 10 кВ должна строиться по магистральному принципу. Магистраль вновь сооружаемых или реконструируемых линий 10 кВ рекомендуется выполнять сталеалюминиевыми проводами одного сечения не менее 95 мм2 [8]. Условия надежности определяют также минимальные сечения проводов воздушных линий. В соответствии с нормами технологического проектирования электрических сетей с.-х. назначения [9] минимальные допустимые сечения проводов по механической прочности должны быть не менее, указанных в таблице 10.4
Таблица 10.4
Минимально допустимые по механической прочности сечения проводов в зависимости от климатических условий района расположения сети
| Тип провода | А | АС | |
| Сечение проводов, мм2 | |||
| Напряжение, кВ | При толщине стенки гололеда, мм | ||
| 35 | Независимо | - | 70 |
| 10 | До 10 15 – 20 более20 | 70 70 70 | 35 50 70 |
| 0,38 | 5 10 | 25 35 | 25 25 |
Для повышения надежности электроснабжения по одиночным линиям широко применяется автоматическое секционирование, т. е. разделение линии на два или несколько участков с помощью коммутационных аппаратов, работающих автоматически. Пункты автоматического секционирования могут устанавливаться как в магистральной линии (последовательное секционирование), так и в начале наиболее протяженных ответвлений (параллельное секционирование). Эффект от автоматического секционирования получается за счет того, что при коротком замыкании за пунктом секционирования отключается секционирующий выключатель, а питание остальных потребителей сохраняется.
Аппаратами автоматического секционирования могут служить: плавкие предохранители; выключатели масляные или вакуумные, оборудованные релейной защитой и устройством АПВ и способные отключать токи короткого замыкания; выключатели нагрузки и автоматические отделители, которые отключаются только в бестоковую паузу, наступающую после отключения поврежденной линии головным выключателем.
Плавкие предохранители для секционирования воздушных линий 10 кВ практически не применяются. Автоматические отделители пока не нашли широкого применения из-за отсутствия серийной аппаратуры (отделители, устройства автоматики и источники оперативного тока).
Аппаратом, отвечающим всем требованиям автоматического подхода, является вакуумный реклоузер, выпуск которого начат нашей промышленностью в последние годы.
Реклоузер представляет собой совокупность вакуумного коммутационного модуля со встроенной системой измерения токов и напряжения и шкафа управления с микропроцессорной системой релейной защиты и автоматики. Реклоузер позволяет выполнять следующие функции:
- оперативные переключения в распределительной сети (местная и дистанционная реконфигурация);
- автоматическое отключение поврежденного участка;
- автоматическое повторное включение линии (АПВ);
- автоматическое выделение поврежденного участка;
- автоматическое восстановление питания на неповрежденных участках сети (АВР);
- автоматический сбор, обработку и передачу информации о параметрах режимов работы сети и состоянии собственных элементов.
Реклоузер может также использоваться в качестве головного выключателя на открытых распределительных устройствах и распределительных пунктах. С его помощью можно подключать новых потребителей. Исключительная функциональность релейной защиты и автоматики, широкие возможности по диагностике параметров режимов работы сети, позволяют применять реклоузер для решения самых различных задач автоматизации аварийных режимов и управления распределительными сетями. На протяжении всего срока службы реклоузер не нуждается в обслуживании, а срок эксплуатации его составляет 25лет
ТП 10/0,4 кВ, как правило, должны проектироваться однотрансформаторными. Двухтрансформаторные ТП применяют в следующих случаях:
-для электроснабжения потребителей первой категории по надежности;
-для потребителей второй категории, не допускающих перерывов в электроснабжении свыше 0,5 ч или имеющих расчетную нагрузку 250 кВт и более.
ТП могут быть опорными, тупиковыми, проходными.
ТП 10/0,4 кВ, питающие потребителей первой категории, а также потребителей второй категории с расчетной нагрузкой 120 кВт и более, должны иметь двустороннее питание. Допускается присоединение ТП с потребителями второй категории с нагрузкой менее 120 кВт ответвлением от магистрали линии электропередачи 10 кВ, секционированной в месте ответвления с обеих сторон разъединителями, если длина ответвления не превышает 0,5 км.
Для двухтрансформаторных ТП на шинах 10 кВ предусматриваются устройства АВР при следующих условиях:
-наличие потребителей первой и второй категорий; -
-присоединение к двум независимым источникам питания;
-если с отключением одной из питающих линий теряет питание один силовой трансформатор; при этом дополнительно ввод 0,38 кВ потребителей первой категории оборудуется устройством АВР.
Опорные трансформаторные (ОТП) сооружаются закрытыми с развитым распределительным устройством 10 кВ, которое предназначено для присоединения радиальных линий 10 кВ, автоматического секционирования и резервирования магистрали, установки устройств автоматики и телемеханики. ОТП включаются в рассечку магистрали линии электропередачи 10 кВ и устанавливаются:
-у потребителей первой категории по надежности;
-на хозяйственных дворах крупных населенных пунктов, если на питающей линии 10 кВ требуется установка секционирующего выключателя.
Для питания потребителей I категории линия 10 кВ, как правило, обеспечивается одним сетевым резервом от независимого источника питания. Независимым источником питания должна служить питающая подстанция 35-110/10 кВ или другая секция шин 10 кВ той же двухтрансформаторной подстанции с двухсторонним питанием. Для удаленных потребителей вторым источником питания может быть автономный источник резервного питания (местное резервирование). Если вторым источником питания является энергосистема (сетевое резервирование), то для электроснабжения потребителей первой категории применяется одна из схем, приведенных на рис. 10.1
Схема 10.1,а применяется при сетевом резервировании от второго источника питания ИП2.
В нормальном режиме трансформаторы Т1 и Т2. получают питание от источника питания А. Выключатели нагрузки QW1 и QW2 на шинах 10 кВ включены. Секции шин 0,38 кВ питаются раздельно от своих трансформаторов. Автоматы QF1 и QF2 в нормальном режиме включены, QF3 - отключен.
При исчезновении напряжения на любой секции шин 0,38 кВ автомат QF1 или QF2 автоматически отключается. Автомат QF3 с выдержкой времени включается. Эта схема, автоматически управляющая работой автоматов QF1, QF2 и QF3, называется схемой автоматического включения резерва (АВР) на стороне 0,38 кВ; она устанавливается на двухтрансформаторных ОТП 10/0,4 кВ. К потребителю I категории проектируются две воздушные или кабельные линии 0,38 кВ. На вводе в здание у этого потребителя устанавливается распределительный щит на напряжение 0,38 кВ. Схема этого щита также должна обеспечивать автоматическое включение резерва при обесточивании одной из воздушных (кабельных) линий. В случае исчезновения напряжения на шинах 10 кВ отключается выключатель Q со стороны основного источника питания А и автоматически с
помощью АВР включается источник питания В (выключатель Q4). Выключатели нагрузки QW на шинах 10 кВ позволяют обеспечить автоматическое разделение их в случае устойчивого повреждения на шинах. Неответственные потребители подключаются к шинам 10 кВ через секционирующие выключатели и получают питание от однотрансформаторных КТП 10/0,4 кВ (трансформаторы Т4 и Т5).
Схема 10.1,б применяется в том случае, если к ВЛ - 10 кВ подключается несколько ОТП – 10 кВ и с их помощью необходимо обеспечить автоматическое секционирование и АВР. Схема подключения ОТП – 10 кВ аналогична схеме на рис. 10.1,а, но изображена на рис. 10.1,б и 10.1, в сокращенном виде. Схему 10.1, в рекомендуется применять для ОТП 10/0,4 кВ, расположенных на территории крупных сельскохозяйственных комплексов.
![]() ![]() ![]() |
| Рис.10.1 Схемы резервирования потребителей а – схема подключения опорной двухтрансформаторной подстанции; б – схемп подключения при использовании ОТП в качестве АВР; в – схема электроснабжения крупных сельскохозяйственных комплексов |
![]() |
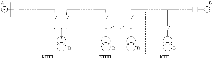
| Рис. 10.2 Схема подключения потребителей II и III категории |
Для электроснабжения потребителей II категории с расчетной нагрузкой 120 кВт и более рекомендуется схема с двусторонним питанием ТП 10/0,4 кВ. Применение выключателей нагрузки на КТПП (комплектная трансформаторная подстанция проходного типа) позволяет производить отключения под нагрузкой; схема получается надежной, гибкой. Допускается присоединение ТП 10/0,4 кВ, питающих потребителей II категории с нагрузкой менее 120 кВт, к линии ответвлением (или к радиальной нерезервируемой линии), если длина нерезервируемого участка линии 10 кВ, отказ которого приводит к перерыву электроснабжения на время ремонта линии, не более 0,5 км.
Для питания потребителей II категории с нагрузкой 250 кВт и более следует применять двухтрансформаторные подстанции 10/0,4 кВ. При меньшей нагрузке потребителя применяются, как правило, однотрансформаторные ТП 10/0,4 кВ. Питание электроприемников II* категории (см. перечень таких потребителей в табл.10.2), не допускающих перерыва более 0,5 часа, должно осуществляться по двум линиям 0,38 кВ с включением резерва на вводном устройстве этих электроприемников вручную либо автоматически.
10.3 Выбор количества и мест установки автоматических коммутационных аппаратов в сетях10 кВ
При выборе количества и мест установки автоматических коммутационных аппаратов (АКА) в первую очередь должны быть рассмотрены мероприятия по надежному электроснабжению потребителей первой категории.
Местное резервирование электроснабжения потребителей первой категории целесообразно, если выполняется условие [1,16]
| lрез< lвых+0,5, | (10.1) |
где lрез - длина резервной линии 10 кВ, которую необходимо соорудить для осуществления местного резерва от независимого источника питания, км;
lвых - длина магистрального участка, км, рассматриваемой линии 10 кВ, который необходимо соорудить для осуществления схемы питания опорной трансформаторной подстанции 10/0,4 кВ.
При невыполнении условия (10.1) для электроснабжения потребителей первой категории следует применять схемы “заход-выход”. Магистраль линии 10 кВ при этом должна быть оснащена устройством (пунктом) автоматического ввода резерва.
Выбор количества и мест установки автоматических секционирующих устройств, обеспечивающих нормативы надежности электрооборудования потребителей второй и третьей категорий, осуществляется в зависимости от схемы подстанций 35—110/10 кВ, суммарной длины l∑ и расчетной нагрузки Р∑1 линий 10 кВ, наличия на линии 10 кВ потребителя первой категории. При этом максимальная длина участка линии (включая ответвления), к которому присоединены эти потребители, ограниченная АКА, во всех случаях должна быть не более 12 км.
Если к рассматриваемой линии присоединен потребитель первой категории и условие (10.1) не выполняется (питание по схеме “заход-выход” с оснащением магистрали линии устройством АВР), тогда независимо от схемы ПС 35 – 110/10 кВ выбор количества АКА производится по номограммам, приведенным на рис. 10.3.
![]() |
| Рис. 10.3 Графики для определения количества автоматических коммутационных аппаратов для секционирования линии при оснащении ее АВР |
В этом случае рассматриваются два участка линии:
первый — от головного выключателя линии до потребителя первой категории с суммарной расчетной нагрузкой Р∑1 и длиной l∑ 1 ;
второй – от потребителя первой категории до пункта сетевого АВР с нагрузкой Р∑2 и длиной l∑ 2.
Откладывая на графике точки с координатами Р∑1, l∑ 2 и Р∑2 , l∑ 2 определяем количество АКА (1 АКА, 2 АКА, 3 АКА), которые необходимо установить соответственно на первом и втором участке.
Расчетная нагрузка линии 10 кВ определяется путем суммирования расчетных нагрузок всех потребителей, присоединенных к рассматриваемой линии, кроме нагрузки первой категории.
Если к рассматриваемой линии присоединен потребитель первой категории и выполняется условие (10.1), а также если к рассматриваемой линии присоединены только потребители второй и третьей категорий, то в зависимости от схемы подстанции 35—110/10 кВ выбор количества аппаратов производится по соответствующим номограммам, аналогичным приведенным на рис. 10.3. [1,16].
Примерное место размещения устройства автоматического секционирования выбирается между точками, одна из которых делит линию (участок линии) на равные части по длине, а вторая – на равные части по нагрузке.
Устройство автоматического секционирования и резервирования рекомендуется совмещать с ОТП или распределительным пунктом (РП) 10 кВ.
Целесообразность установки устройств автоматического секционирования ответвления устанавливается с использованием рис. 10.3. В качестве расчетной нагрузки принимается нагрузка части линии 10 кВ между автоматическим секционирующим устройством с рассматриваемым ответвлением без нагрузки самого ответвления, а в качестве расчетной длины принимается длина ответвления.
10.4 Выбор мощности резервных электростанций
Высокая степень надежности электроснабжения сельских потребителей, как уже было сказано, может быть достигнута повышением надежности работы элементов электрических сетей, их резервированием, а также автоматизацией и телемеханизацией.
Разные способы резервирования обеспечивают различную степень повышения надежности. Однако и при сетевом резервировании не устраняются отключения ТП 10/0,4 кВ, велика вероятность одновременного повреждения основной и резервной воздушных линий электропередачи при гололеде, грозе, сильном ветре, а также возможны повреждения в сети высокого напряжения, особенно при резервировании от той же подстанции, которая осуществляет основное питание. Поэтому сетевое резервирование не гарантирует абсолютной надежности электроснабжения.
В этих условиях наиболее эффективно резервирование электроприемников I и II категории с помощью ДЭС. Использование автономных электростанций полностью исключает перерывы, вызванные аварийными и плановыми отключениями в электрических сетях, и дает экономический эффект даже при наличии сетевого резервирования. Этот эффект определяется путем сопоставления ожидаемого ущерба от недоотпуска электроэнергии и затрат на резервирование.
Резервные электростанции экономически целесообразно применять при условии, если удельный ущерб от недоотпуска электроэнергии равен или больше удельных приведенных затрат на электроэнергию, вырабатываемую резервной электростанцией.
В соответствии со своим назначением резервные электростанции работают только при перерывах в системе централизованного электроснабжения. В сельских сетях общая длительность перерывов даже в самых неблагоприятных условиях не превышает 150 – 200 ч в год. Фактическое же время работы резервных электростанций еще меньше из-за возможного несовпадения перерывов электроснабжения и технологических процессов сельскохозяйственного производства.
Для повышения эффективности использования резервных электростанций необходимо на аварийный период вводить принудительный график электроснабжения путем отключения неответственных потребителей, а также сдвига по времени технологических процессов.
При нарушениях работы магистральных участков сети дизельную электростанцию через передвижную подстанцию следует подключать к неповрежденному участку линии 10 кВ или непосредственно к шинам 0,4 кВ ТП.
Существует несколько различных подходов к выбору мощности резервных станций. Наиболее часто ее принимают равной суммарной максимальной расчетной мощности нагрузки станции, Рмахрасч, т.е. максимальной расчетной нагрузке ответственных резервируемых электроприемников.
Максимальной расчетной (резервируемой) нагрузкой (мощностью) называется наибольшая электрическая нагрузка (мощность) одновременно работающих ответственных электроприемников.
Максимальную расчетную нагрузку рекомендуется определять по суммарному графику присоединенной мощности ответственных электроприемников при питании их от системы резервного электроснабжения. При этом на действующих объектах график получают путем проведения замеров нагрузок, а для вновь проектируемых – путем построения в соответствии с методическими указаниями по расчету электрических нагрузок в сетях 0,38-110 кВ сельскохозяйственного назначения.
В качестве максимальной расчетной нагрузки принимают суммарную присоединенную мощность ответственных электроприемников, определенную за 30 мин (получасовой максимум), которая имеет место в интервале времени с наибольшим значением нагрузки за период работы системы резервного электроснабжения с учетом средневзвешенного коэффициента мощности cosφ.
За основу графика электрических нагрузок принимается временной (по часам суток) график работы технологического оборудования в режиме питания от системы резервного электроснабжения в самую нагруженную смену. При формировании технологического графика в него в первую очередь включают процессы, работа которых должна быть сохранена в полном объеме, а затем процессы, которые могут осуществляться в ограниченном диапазоне мощности. При этом следует стремиться уменьшить расчетную нагрузку: путем уменьшения потребной мощности отдельных производственных процессов, т.е. введения последовательной работы тех процессов, где при питании от системы централизованного электроснабжения предусмотрена их одновременная работа; путем введения прерывистого режима работы по отдельным процессам или переноса их на другое время суток.
Суммарный график электрических нагрузок позволяет определить как максимум нагрузок ДЭС, так и разность между мощностью ДЭС и текущей нагрузкой ответственных электроприемников с распределением ее по часам суток. На это время можно снимать ограничение в работе менее ответственных электроприемников и дополнительно загружать генераторы до их номинальной мощности.
На действующих объектах снимается график электрических нагрузок ответственных электроприемников при питании их от системы централизованного электроснабжения. При этом могут быть использованы два способа: прямой – путем включения самопишущих или показывающих ваттметров или косвенный – путем снятия показаний счетчиков или амперметров с последующим вычислением нагрузки в киловаттах или киловольтамперах.
В случаях, когда расчетная нагрузка незначительно превышает ближайшую номинальную мощность электроагрегата, то прежде чем перейти к выбору электроагрегата со следующей большей номинальной мощностью следует рассмотреть возможность дополнительного снижения максимума расчетной нагрузки путем изменения (сдвига) времени работы отдельных ответственных электроприемников.
Общая мощность выбранных электроагрегатов (генераторов) Рэ должна быть больше максимальной нагрузки электроприемников Рмах на значение нагрузки собственных нужд станции и потерь мощности в проводах электрической сети. Перегрузка агрегатов автономно работающей электростанции недопустима, так как влечет за собой снижение частоты переменного тока.
Максимальная нагрузка
![]() | (10.2) |
где Рмах – общая максимальная нагрузка ответственных потребителей (электроприемников), кВт; kпот - коэффициент, учитывающий потери мощности в сетях kпот = 1,05); kсн – коэффициент, учитывающий нагрузку собственных нужд (kсн = 0,95 ¸ 0,97). Мощность на зажимах генераторов
![]() | (10.3) |
где n - число агрегатов станции; Реt - эффективная мощность дизеля по паспорту, кВт; hеt - КПД генератора; h перt ~ КПД передачи (при ременной передаче).
Мощность на зажимах генераторов должна быть больше максимальной нагрузки.
Правила технической эксплуатации рекомендуют при непрерывной работе дизельного двигателя свыше 24 ч снижать нагрузку для четырехтактного двигателя до 90%, а для двухтактного - до 85%.
В соответствии с этим мощность на зажимах генератора
![]() | (10.4) |
Номинальная мощность генератора должна обеспечивать возможный пуск асинхронного короткозамкнутого электродвигателя ответственного электроприемника наибольшей мощности, так как пусковой ток таких двигателей в 4 – 6 раз превышает номинальный. При этом следует иметь в виду, что дизельные электроагрегаты обеспечивают надежный пуск прямым включением электродвигателя мощностью, равной 50 – 70% номинальной мощности генератора. При этом генератор должен быть незагружен (холостой ход), нагрузка электродвигателя должна быть не более 30% номинальной. При невыполнении этих условий необходимо выбирать мощность электростанции на 40 – 60% больше суммарной установленной мощности потребителей.
Потеря напряжения на зажимах электродвигателя в момент пуска, как правило, не должна превышать 40% номинального, при этом напряжение на зажимах любого из работающих электродвигателей, питающихся от этого же электроагрегата, не должно снижаться более чем на 20%. Как уже отмечалось выше, для облегчения пуска мощного асинхронного двигателя (при генераторе соизмеримой мощности) рекомендуется подключать его к ДЭС в холостую или с частичной нагрузкой, при этом рекомендуется форсировать возбуждение генератора (можно вручную) путем шунтирования специальным рубильником всех регулировочных и установочных сопротивлений в цепи обмотки возбуждения возбудителя.
В случаях, когда нагрузка значительно изменяется в течение суток или года и часто может работать один мощный агрегат с большой нагрузкой, а также в случаях, когда нет в наличии или невозможно приобрести электроагрегат с номинальной мощностью, достаточной для обеспечения максимальной нагрузки, рекомендуется применять два электроагрегата. При этом по графику нагрузок должно быть определено время включения и отключения второго электроагрегата.
Другим, более обоснованным способом выбора мощности резервных электростанций является сопоставление ожидаемого ущерба от перерывов централизованного электроснабжения с дополнительными затратами на резервные станции. Однако такой подход к выбору ее мощности при использовании средних значений исходных данных по количеству и длительности перерывов, являясь простым, может привести к ошибочным решениям. Дело в том, что показатели надежности работы сетей, необходимых для расчета ущерба в зависимости от места расположения сетей, уровня эксплуатации и других факторов, могут колебаться в широких пределах. Большой разброс может быть и в значениях удельных ущербов. Кроме того, ущерб зависит не только от частоты и длительности отключений, но и от момента каждого отключения, т.е. соответственно от числа и типа технологических процессов, которые совпадают с перерывом электроснабжения.
В связи с этим в ВИЭСХ и МИИСП были разработаны “Методические рекомендации по выбору резервных электростанций животноводческих ферм и комплексов молочного направления”.
Таблииа 10.5.
Нагрузка электроприемников животноводческих и птицеводческих ферм, комплексов и птицефабрик, подлежащая резервированию от автономных источников электроснабжения
| Тип комплекса, фермы | Размер поголовья или производственная мощность | Резервируемая нагрузка, кВт | Количество ДЭС и ихноминальная мощность, шт х кВт |
| Комплексы и фермы молочного направления, коров | 200 300 400 800 1200 1600 – 2000 | 15 – 25 20 – 25 30 130 1х30 1х30 2х60 3х60 2х100 (3х60) | |
| Комплексы и фермы крупного рогатого скота: по выращиванию нетелей до 6 – 8-месячного возраста, тыс.скотомест по выращиванию и откорму молодняка крупного рогатого скота до 6 – 8-месячног по выращиванию коров мясного направления, коров |
3 5 – 6 10 600 – 1200 2000 – 3000 |
60 100 200 30 60 |
1х60 1х100 2х200 1х30 1х60 |
| Свиноводческие комплексы и фермы: репродуктивные фермы по выращиванию и откорму свиней, тыс. голов в год | 300 – 600 маток 3 6 12 24 54 108 | 60 60 | 1х60 1х60 1х100 2х100 1х315 2х315 3х315 |
| Птицефабрики и птицефермы яичного направления, тыс. кур-несушек | 20 100 200 300 400 | 60 200 400 600 750 |
1х60 2х100 4х100 2х315 3х315 |
| Птицефабрики: мясного направления, тыс. кур бройлеры, млн./год | 200 0,5 3 6 1000 | 300 400 705 996 1515 |
1х60 2х100 4х100 2х315 3х315 |
В соответствии с этой методикой для выбора мощности станции необходимо определить, какой зоне оптимальности соответствуют значения ущерба при отсутствии резервного источника. Для этого достаточно грубо определить минимально и максимально возможные его значения при отсутствии резервирования, т.е. оценить пределы изменения показателей надежности и соответственно ущерба для конкретной схемы электроснабжения рассматриваемого потребителя. Затем по заранее рассчитанным специальными приемами предельным величинам ущерба, при которых наиболее целесообразно применять ту или другую станцию, находят ее оптимальную мощность для рассматриваемого случая.
Резервируемые нагрузки сельскохозяйственных предприятий, подлежащие резервированию от автономных источников, и рекомендуемые номинальные мощности ДЭС для типовых ферм по производству продуктов животноводства и птицефабрик приведены в табл. 10.5.
При резервируемой нагрузке до 50 кВт вместо стационарных ДЭС могут применяться передвижные резервные источники электроснабжения номинальной мощностью 30 и 60 кВт, в том числе с приводом от вала отбора мощности трактора.
10.5 Резервные источники питания с приводом от трактора
Потребность в агрегатах автономного питания в настоящее время быстро растет. Из-за ограниченного выпуска ДЭС значительного увеличения их поставок для сельскохозяйственного производства в ближайшие годы вряд ли можно ожидать.
Кроме того, использование серийных резервных электростанций как стационарных, так и передвижных связано с необходимостью установки первичного двигателя-дизеля или бензинового двигателя, которые используются незначительное число часов в году, равное суммарной продолжительности аварийных и плановых отключений. Двигатели внутреннего сгорания составляют значительную часть стоимости электростанции и требуют существенных денежных и трудовых затрат на их обслуживание.
Поэтому иногда целесообразно использование источника резервного электроснабжения на основе синхронного генератора с приводом от внешнего (не связанного постоянно с этим генератором) мобильного первичного двигателя. В качестве таких первичных двигателей могут быть использованы сельскохозяйственные тракторы.
Принцип действия резервного источника питания с приводом от трактора (РИПТ) и кинематическая схема такой установки по существу такие же, что и дизель-электрического агрегата. Для практической реализации РИПТ необходимо согласовать характеристики первичного двигателя-трактора и ведомого механизма – синхронного генератора. Практически все отечественные сельскохозяйственные тракторы оборудованы устройством (валом) отбора мощности от двигателя трактора (ВОМ) с частотой вращения 1000 об/мин. Для передачи вращающего момента от ВОМ трактора к навесным сельскохозяйственным орудиям применяется унифицированный карданный вал.
![]() |
| Рис. 10.4 Электрическая система отбора мощности на базе трактора К-701 |
В качестве источника электроэнергии в РИПТ наиболее приемлемым является синхронный генератор единой серии с самовозбуждением типа ЕСС5.
Отечественный и зарубежный опыт использования автогамных источников резервирования показывает, что генератоы РИПТ могут быть мобильными (передвижными) или стационарными.
В мобильных вариантах генератор со щитом управления может устанавливаться непосредственно на шасси трактора; на одноосном прицепе; на металлическом каркасе, навешиваемом ; помощью навесной системы на трактор.
Для резервного электроснабжения предназначено разработанное ВИЭСХ совместно с Всесоюзным научно-исследовательским институтом механизации сельского хозяйства (ВИМ) мобильное энергетическое средство на базе трактора К-701 с электрической системой отбора мощности (МЭС). Оно применяется для работы с комплексом мобильных сельскохозяйственных машин с электроприводом активных рабочих органов (почвообрабатывающих, кормоприготовительных, уборочных и т.п.), а также на транспортных работах с использованием прицепов с активной осью. Мобильное энергетическое средство можно использовать также в качестве источника электроснабжения сезонных сельскохозяйственных потребителей (насосных станций, оросительных систем, дождевальных установок, пунктов по обмолоту зерновых культур и семенников трав на стационаре, по очистке и сушке зерна, агрегатов для приготовления витаминной травяной муки и т.п.).
В электрическую систему отбора мощности трактора К-701 (рис. 10.5) входят следующие элементы: синхронный генератор трехфазного переменного тока с частотой 50 Гц, планетарный редуктор 6 с передаточным отношением 1,267, обеспечивающий частоту вращения генератора 1500 об/мин, два вала с карданными редукторами 8, сопрягающие редуктор с генератором и прямой передачей вала двигателя трактора, шкаф с пускозащитной аппаратурой 2, пульт управления 3 с контрольно-измерительными приборами, системой электробезопасности и сигнализации, комплект силовых и контрольных кабелей 4 и щиток с зажимами для подключения потребителей 5.
В МЭС используется генератор типа ГСС 104-4ЭУ2 мощностью 200 кВт со статической системой возбуждения, номинальным напряжением 400/230 В, током 360 А, КПД 0,91, cosφ = 0,8.
Для установки генератора на задней полураме трактора К-701 произведены некоторые изменения в навесной системе: демонтированы центральная тяга и вал со шлицевыми концами. Сопряженные с поворотными главные рычаги устанавливаются на специальных пальцах; на месте установки гидрокрюка закреплена пластина, блокирующая нижние тяги.
Шкаф с пускозащитной аппаратурой установлен на левом крыле трактора или сзади кабины на месте одного из масляных баков. Пульт управления размещен на передней панели кабины трактора. На нем смонтированы амперметр, вольтметр, частотомер, прибор непрерывного контроля изоляции типа МКН-380 М, кнопки управления и лампы сигнализации.
Электрическая схема обеспечивает работу МЭС в режимах с изолированной и заземленной нейтралью генератора (рис. 12). Система регулирования напряжения генератора допускает прямой пуск короткозамкнутых асинхронных двигателей мощностью до 125 кВт. Номинальные значения частоты тока и напряжения генератора достигаются обеспечением номинальной частоты вращения коленчатого вала дизельного двигателя трактора за счет всережимного регулятора.
Генератор рассчитан на продолжительную работу в номинальном режиме при температуре окружающего воздуха ±50°С и относительной влажности до 96%.
Расход топлива при номинальной эксплуатационной мощности двигателя трактора (195 кВт) не более 55 кг/ч. Емкость топливных баков обеспечивает работу МЭС в течение 10-12 ч.
При использовании МЭС в качестве передвижной электростанции трактор закрепляют стояночным тормозом, к щиту на тракторе с помощью гибкого кабеля подключают шины ТП 0,4 кВ или распределительный пункт (щит) потребителя. При этом необходимо исключить возможность подачи напряжения на отключенный участок сети системы централизованного электроснабжения и от сети на электроагрегат. Включение в работу электрической системы отбора мощности осуществляется рычагом планетарного редуктора при остановленном двигателе трактора. Трактор К-701 с электрической системой отбора мощности успешно прошел испытания и эксплуатируется как источник питания для сельхозмашин с электроприводом активных рабочих органов (комбинированный почвообрабатывающий агрегат с шириной захвата 5,6 м для обработки тяжелых почв с измельчением растительных остатков с двумя электродвигателями по 37 кВт, мобильный брикетировщик зеленых кормов производительностью 3,5 т/ч с электродвигателями 110 и 30 кВт). Опыт эксплуатации МЭС показал надежность и безопас ность работы электрической системы отбора мощности.
![]() |
| Рис. 10.5. Электрическая схема мобильного энергетического средства |
Мобильное энергетическое средство одновременно является и тяговым средством, и мобильным источником электроснабжения. При использовании МЭС на сельскохозяйственных или транспортных работах оно может быть оборудовано радиостанцией, установленной в кабине трактора, для сообщения трактористу – машинисту об аварийных ситуациях в системе электроснабжения и необходимости использования МЭС в качестве резервной электростанции. Оно может быть использовано в любой отрасли народного хозяйства, где требуется передвижной источник электроснабжения.
Затраты на оборудование электрической системы отбора мощности не превышают 25% стоимости трактора К-701. Применение МЭС в качестве источника резервного и сезонного электроснабжения сельскохозяйственных потребителей может в 1,5 раза увеличить годовую нагрузку трактора и улучшить его технико-экономические показатели.
Использование МЭС только в качестве резервного источника электроснабжения на молочных фермах, животноводческих комплексах, птицефабриках в течение 50 – 60 ч в год окупает дополнительные затраты на электрическую систему отбора мощности.
Мощный трактор (типа “Кировец”, Т-150К), оборудованный электрической системой отбора мощности, совмещает функции надежного высокопроизводительного мобильного источника резервного электроснабжения и тягового средства. Наличие такого трактора в районе электрических сетей или в хозяйствах позволит значительно снизить ущерб, наносимый сельскохозяйственным потребителям от перерывов электроснабжения.
Вопросы для самопроверки к модулю 10
1. Какие потребители относятся к потребителям первой, второй и третьей категориям по надежности электроснабжения?
2. Что такое норма надежности электрической сети?
3. Перечислите основные мероприятия по повышению надежности электроснабжения потребителей?
4. Как выбирается место установки и число автоматических секционирующих аппаратов?
5. Нарисуйте возможные схемы подключения к сети потребителей, в зависимости от категории по надежности электроснабжения.
6. На какое время допускается перерыв в питании потребителей, в зависимости от категории по надежности электроснабжения?
7. В чем отличие между последовательным и параллельным секционированием линии электропередачи?
8. Что такое независимый источник электроснабжения?
9. От скольких независимых источников должны получать питание потребители первой категории?
10. Когда в качестве независимого источника для резервирования электроснабжения необходимо применять дизельную электростанцию?